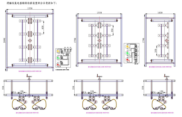
滑触线
母线槽
电缆桥架
扬州市迅博电气有限公司
24小时咨询电话:18083780862
传真:1296637982
邮箱:yzxbhx@126.com
地址:江苏省宝应县柳堡镇工业集中区创业路
产品介绍:刚体滑触线
上一篇:ZT型轨道平移滑车装置
下一篇:没有了